一、项目背景
由于公司电网电压波动,低压电动机及变频器由于受到外部电网波动,导致非计划停机,对公司正常生产、科研及项目造成极大影响。经过查找原因分析,发现电网晃电幅度和时间均超过接触器线圈保持电压的范围和时限,致使接触器欠压释放,变频器对电压较为敏感,电压跌落80%以下低电压保护功能动作,变频器报低电压故障而使变频器停止运行。
作为一家连续型生产企业,由于受到晃电现象的影响,伴随电网电压暂降,超过大约80毫秒的电压暂降会引起各类高低压电动机及变频器设备报警并非计划停机,对公司正常生产、科研及项目造成极大影响,生产的中断不仅会使产能下降,还会影响产品品质,造成高额的经济损失。更严重的是有可能发生人身安全事故。
通过和客户详细的沟通,分析了客户目前的一次供电系统图,整体了解了企业的供电现状和需求,因现场高压容量等问题,无法进行无扰动切换,现只针对低压做抗晃电解决方案(停电或手动倒闸不在此方案内)。
二、需求分析
1、晃电现象的危害
电力系统在运行过程中,由于外部线路受到雷击、瞬时短路等故障造成企业内部电网相邻线路短路故障、大型或大批电动机起动等原因,造成电压瞬间较大幅度波动后恢复,这种现象通常称为晃电,持续时间0.5个周期到最长1分钟,幅值下降至标称电压的90%-10%。
晃电发生时,会对生产工艺和现场设备造成一系列的危害:
电压暂降幅度过大或持续时间过长,会使电动机、变频器、软启动器等设备停机,造成生产中断,产生诸如安全、环保、废品、原料浪费、产量降低等一系列损失;
晃电恢复期间,对大批电机的重起动,还会对电机再次造成大电流的冲击,危及设备和人身的安全;
2、需求阐述
低压侧
在低压负载侧,挂载有大量的电动机类负荷和变频器,其中有些设备是生产工艺中的关键环节,通常,400V低压系统中的电动机控制回路是接触器控制回路,一般交流继电器当电压低于线圈额定电压的50%,时间超过20ms时接触器释放;当电压低于80%甚至更高,持续五个周波时接触器也释放,造成低压电动机失电停机。而对于变频器,一般都具有过压、失压、过流及瞬时停电等多种保护功能,当遭遇“晃电”时电源电压下降到额定电压的70%或失电,变频器低电压保护动作关闭变频器输出,电动机处于惯性停车状态。由于变频器运行指令继电器也因“晃电”而释放,电源恢复正常后变频器因没有运行指令而无法激活瞬间停电再启动功能,需人工复位解除低电压故障才能重启变频器,导致正常生产被迫中断。当高压侧快切方案在极端情况下,未能实现快速切换,而是通过同期或残压方式切换时,切换时间可能会延长到200-300ms,控制回路有释放风险,所以需要配置相应的补充措施提高其可靠性。
为了解决关键设备停机问题,在设计改造方案时,需要综合考虑以下需求:
1. 当电源失电后,控制回路释放,为了保证生产工艺不中断,在电源瞬时恢复时对已释放的电气元件立即自动重合,使其迅速恢复连续性生产。
2. 整个生产工艺流程是通过DCS分布式控制系统控制,各节点设备之间存在相互关联性,当设备停机后,仍需要与DCS保持正常通信,避免造成连锁停机。
3. 针对重要设备的补充措施属于分布式治理方案,现场配置数量较多,需要综合考虑成本投入、安装空间、安装便捷性。
4. 大量电机一起重新起动,存在产生起动冲击电流的风险,改造方案中要考虑增加相应功能避免这种风险。
5. 改造方案要考虑不增加新的故障点风险,不改变原有控制回路。
三、方案概述
方案的理念是从配电网系统的整体考虑,立足从源头解决问题,对于电网造成的晃电治理,有两种方式,一种在电源端解决,即当外电源波动时提供连续输出的稳定电源,用以保证所带负荷的正常工作电压。一种在负载控制端解决,即当外电源晃电时敏感性电气元件释放后,在电源瞬时恢复时对已释放的电气元件立即自动重合,使其迅速恢复连续性生产。
目前先在负载控制端分布解决,即当电源晃电时,配置的方案通过对负载控制回路的保持与重起或是通过对动力回路的电压补偿,实现设备的工作连续性。比如UPS电源、低电压穿越、马达保护器辅助功能、抗晃电模块。
> UPS电源:通过串联UPS电源,保证负载在晃电时供电连续,正常工作,在线式UPS切换时间短,满足要求。由于是采用串接方式,首先会增加故障风险,另外,电源支撑装置的容量需与实际所带的负荷容量匹配,特别是对于大功率设备,造价太高,安装位置较为分散,数量较多,这样核算下来投入总成本巨大,而且用于储能的蓄电池,对环境要求高,需要定期更换,后续维护成本也很高。
> 低电压穿越装置:主要针对变频器设备,当晃电发生,装置通过内部BOOST升压模块,对变频器直流母线进行补偿,维持变频器正常工作。此方案成本也较高,只针对生产工艺中关键的变频器节点。
> 马达保护器辅助功能:装置以保护功能为主,抗晃电功能为辅助功能,只是以继电器信号开出为存在,马达保护内部无储能电源,发生晃电后装置无法正常工作,此时与DCS的传输信号(如:运行、故障等信号)容易丢失。当控制回路再来电后,马达保护需要对停电前的工况进行判断,是否能够再次起动电机,判断时间过长,无法对电机的再起时间进行控制。对于变频器无法实现再起。
> 抗晃电模块:晃电发生时,通过内部超级电容保证模块正常工作,恢复供电后,通过内部继电器吸合,分批自动再起动电机、变频、软启动。体积小巧,磁吸结构,安装方便。
综合考虑客户实际需求,从抗晃电效果、安全可靠性、投入成本、产品结构、改造便捷性等多方面综合评估,给出了DCM-621KH抗晃电模块的整体解决方案。
市场上抗晃电模块有两种方式,分别为储能保持式和储能再起式。储能保持式的原理即在给接触器提供直流或交流的辅助电源,当电网晃电时保持接触器线圈持续的吸合电压,使接触器线圈不释放,当电压恢复时接触器主回路保持连通状态,则电动机因接触器线圈吸合得电而继续保持运行状态。而储能再起式的原理是晃电时保持接触器的启动指令,不保持接触器的线圈,则接触器会因晃电而欠压释放,当电压瞬时恢复时由于接触器启动回路为闭锁状态,则接触器线圈得电而吸合,同时自保持接点闭合,电动机因得电而再加速运行。
通过我司对客户选择和市场使用状况的深入了解,对两种方式做了比较和调研,认为储能再起式较为安全、可靠、实用,原因列表如下:

由于晃电的时间一般在100ms左右,所要治理的抗晃电负载基本为风机、泵类变转矩负载,即有一定惯性,当接触器、变频器因晃电而释放后,风机和水泵仍维持较高的转速处于高惯性之中,当电源瞬时恢复后,储能再起式抗晃电装置使接触器自动重合,电动机在高转速下再加速运行对工艺影响不大,同时这种控制方式对原系统的接线和控制方式没有任何改动,由于采用并联控制方式,即使本身设备故障也不会影响原有系统的正常运行,这是最大的使用优势,即不会因解决一个小概率暂态事件而对原来的稳态系统产生影响。
储能保持式抗晃电方式由于采用串接方式,利用储能电容放电的方式维持接触器的吸合电压值,这样增加了故障的几率,一旦抗晃电设备出现故障也会导致原有设备非计划停机。还有由于晃电时保持接触器线圈不释放,对接触器的物理结构会有影响,对接触器动静触头频繁分合闸的寿命有影响。
基于以上情况的分析和调研,采用储能再起式抗晃电技术较为符合和实用。
四、方案实施
1、直起式电动机
模块工作原理为,通过采集负载的工作电源、接触器线圈电压以及控制回路电压形成复合判据,起动结束后延时5秒进入抗晃待机模式,当接触器位置信号发生了变化时,内部超级电容系统自动投入,系统开始计时,在设定的最长晃电时间内,如果系统自动恢复了供电,经再起动延时起动电机,恢复晃电前正常工况,从而保证生产正常进行。
根据以往大量的改造经验,结合客户实际电机二次回路,配置DCM621KH抗晃模块,方案图如下:

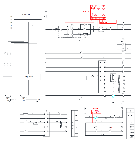
端子1和端子4为控制电源L和N,取接触器控制回路的控制电源;电动机再起动控制器的工作电源及检测电压输入。
端子2和端子3为接触器状态反馈信号及再起开出,并联接在起动回路当中;检测并判断接触器的停止与运行的不同状态,以及在晃电后对接触器的再次起动。
端子7和端子8为运行信号,并联在DCS采集的运行信号回路中,当晃电发生时,信号出口闭合反馈DCS,防止DCS因晃电而跳闸,回路再起后信号出口返回。
低压电动机回路依据“持续生产、分批改造”的思路,进行分批改造。
预计改造时间:直起式电机每抽屉约30分钟。
改造完成后预期达到的效果简述如下:
正常工作时,当手动或远程起动电机后,KM线圈得电,KM接触器吸合, DCM621KH检测到KM吸合状态,开始充电,5S充电结束后,进入抗晃待机模式,晃电发生后,电压暂降,KM主动释放,电机停机,DCM621KH内部超级电容自动投入,为抗晃电模块正常供电,系统开始计时,在设定的最长晃电时间内(最长9秒),如果系统自动恢复了供电,经再起动延时,装置RS继电器吸合,自动再起动电机,恢复晃电前的正常工况。
2、变频式电动机
配置DCM621KH抗晃模块,方案图如下:

端子1和端子4为控制电源L和N,取变频器控制回路的控制电源;电动机再起动控制器的工作电源及检测电压输入。
端子2和端子3为接触器状态反馈信号及再起开出,并联接在起动回路当中;检测并判断接触器的停止与运行的不同状态,以及在晃电后对接触器的再次起动。
端子7和端子8为运行信号,并联在DCS采集的运行信号回路中,当晃电发生时,信号出口闭合反馈DCS,防止DCS因检测到接触器断开而发出停机命令,回路再起后信号出口返回。
端子9和端子10为复归信号,并联在DCS复归信号回路中,当晃电发生时,变频器因晃电告警,此时需先复归变频器才能再次起动。
端子11和端子12为报警信号,串联在DCS采集的报警信号回路中,当晃电发生时,信号出口断开,防止DCS因检测到变频器故障信号而发出停机命令,回路再起后信号出口返回。
预计改造时间:变频器每回路约1小时。
改造完成后预期达到的效果简述如下:
正常工作时,当手动或远程起动变频器后,1KA1线圈得电,1KA1接触器吸合,DCM621KH检测到1KA1吸合状态,开始充电,5S充电结束后,进入抗晃待机模式,晃电发生后,电压暂降,1KA1主动释放,变频器停机,DCM621KH的AL继电器打开,闭锁“变频器故障闭锁信号”输出,DCM621KH内部超级电容自动投入,为抗晃电模块正常供电,系统开始计时,在设定的最长晃电时间内(最长9秒),如果系统自动恢复了供电,装置RE复位继电器闭合,复位变频器故障,经再起动延时,装置RS继电器吸合,自动再起动变频器,恢复晃电前的正常工况。
五、主要特点及基本参数
1、主要特点
> 磁吸安装,可靠灵活;
> 接插端子,维护便捷;
> 脉冲起动,节能可靠;
> 晃电时间最长达10S,且易修改;
> 再起动延时可修改,利于分批多电机环境;
> 电压波动未引起接触器释放,不会对抗晃模块产生影响。
2、基本参数
> 系统功耗: 1W
> 安装方式: 磁吸式
> 外型尺寸: 64mm*47mm*96mm(宽*高*深)
> 产品净重: 约300克
> 适用电压 : AC220V(可定制)
> 起动节点容量: 常开,5A 440Vac/300Vdc
> RUN信号容量:常开,超时返回,5A 250Vac/30Vdc
> 最大晃电时间:0-9s可调,步进1S,0时模块退出。
> 再起延时:0-1S 连续可调,步进0.1S
> 适用回路:直接起动、变频器、软起动
六、外观及安装
需要对现场进行方案勘察,对现场电动机的运行环境进行探讨,确保抗晃方案改造后的效果。DCM621KH产品体积小,磁吸式安装方式(如图1,图2),现场安装方便。

