在当今信息时代,学校已经成为培养未来人才的重要场所,学校的教学设备和信息技术设施已经成为教育教学的重要支持和工具。为了确保学校教学设备正常运行,保障教学顺畅进行,连续供电就显得尤为重要。
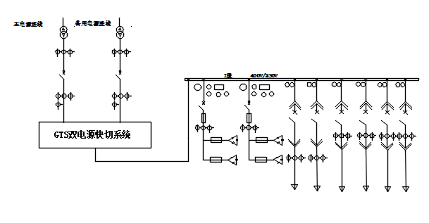
以XX国际学校为例,0.4kV配电系统为单电源进线结构,如下图所示,上级10kV系统降变至0.4kV,一路电源接入,400V 母线带载所有用电负荷,因此供电的连续性和可靠性无法得到有效保证,当单一供电线路出现故障时,容易造成敏感负荷设备的停机或跳闸。因此学校计划增加1路备用电源,实现双电源配电系统,同时配置GTS双电源快切系统,当主电源出现异常时可以在20ms内高速切换到备用电源,保证敏感负载设备连续可靠工作,确保全校教学工作安全稳定的开展。

基于以上需求,切换方案要考虑到以下几个方面:
1)如果把0.4kV配电室看做一个配电系统,晃电现象有可能是来自于区外上级,也有可能来自于区内,如果是来自于区外上级,可以通过快速切换方式实现,如果是来自区内,比如某条回路的短路造成的,这时,切换设备必须具有准确判断功能,安全闭锁,防止区内故障未隔离时,故障扩大化。
2)采用先分后合的动作顺序,在发出合闸命令时,切换设备中的控制器需要对母线扰动模型分析准确,保证合闸时合闸两侧电压的幅值、相位、频率预判精准,无冲击风险。
3)出现晃电现象时,经常会出现短时间内多次晃电,那么GTS双电源快切系统完成一次切换后,系统闭锁,需要手动复归,待主电源恢复正常后,手动或自动恢复到主电源带载状态。
GTS双电源快切系统安装于0.4kV配电系统,安装位置与系统示意图如下:

GTS双电源快切系统功能单元如下图所示:

两路独立的400V电源,工作中通过主、备电源的相互投切完成0.4kV配电系统的连续供电,实现敏感负荷设备不停机,无冲击。
GTS双电源快速切换开关具有快速切换、超级兼容、智能潮流判断、现场编程、全生命周期检测、智能远程互联等功能特色。
主要技术参数如下:

总的来说,GTS双电源快速切换开关在学校连续供电中的应用,为学校提供了一种可靠的、高效的电力保障方案。通过引入这一技术设备,学校可以提升供电可靠性,确保教学设备不停机,为师生创造良好的学习环境,推动教育事业的发展。